主(zhu)要監測內容
|
序號 |
監測項目 |
監測內容 |
傳(chuan)感器 |
|
1 |
降(jiang)雨量 |
庫區(qu)區(qu)域(yu)雨量(liang)監測 |
雨量計 |
|
2 |
干灘監測(ce) |
庫區干灘長度 |
物位計(ji) |
|
3 |
表面位(wei)移監測 |
礦(kuang)壩總體位移變化監測 |
GNSS終端 |
|
4 |
內部(bu)位移監測 |
壩體深(shen)部位(wei)移監測 |
測斜儀(yi) |
|
5 |
浸潤線監測 |
礦壩內部(bu)滲透水位量監測 |
滲壓計(ji) |
|
6 |
庫水位(wei)監測 |
庫區水位監測(ce) |
水位計 |
|
7 |
視頻監(jian)測 |
視頻監測庫(ku)區壩體(ti)環境 |
視(shi)頻攝像機 |
監測依據(ju)
《尾(wei)礦(kuang)庫安全技術(shu)規(gui)程》
尾(wei)礦庫(ku)(ku)監(jian)(jian)測(ce)(ce)解決方(fang)案用全自動(dong)數字(zi)化技術代替了常規的(de)(de)(de)人工監(jian)(jian)測(ce)(ce)方(fang)法,大大降(jiang)低了勞動(dong)強度,避免了人為監(jian)(jian)測(ce)(ce)的(de)(de)(de)誤差,并且在惡(e)劣氣候下仍然可以運(yun)(yun)行。系統運(yun)(yun)用先(xian)進的(de)(de)(de)高科技手段,監(jian)(jian)測(ce)(ce)尾(wei)礦庫(ku)(ku)各項(xiang)主要安全指標,顯示各項(xiang)監(jian)(jian)測(ce)(ce)數據(ju)的(de)(de)(de)變化情況,同(tong)時通(tong)過配備軟件來分析壩(ba)體形變斷面、壩(ba)體形變等(deng)值線(xian)、各種(zhong)參數過程線(xian)等(deng),提高了數據(ju)采(cai)集的(de)(de)(de)全面性和準確性,使尾(wei)礦庫(ku)(ku)的(de)(de)(de)監(jian)(jian)測(ce)(ce)管理實現了信息化。

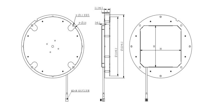
測地型(xing)GNSS接收機(ji)(太陽(yang)能一體(ti)化)
HG-BX-RAG362
高精度測量型天線
HG-GONH7156-09
內置型高精(jing)度測量型天線
HG-GONH7156-03
北斗通信定位終端
HG-UAV-S1